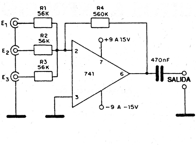
Este mixer es extremamente simples y usa solamente un circuito integrado 741 que posee 3 entradas. La fuente debe ser simétrica con tensiones entre 9 y 15 V. Se pueden agregar más entradas y la ganancia de tensión es de 10 veces. Se puede alterar la ganancia alterando lo valor de R4.




