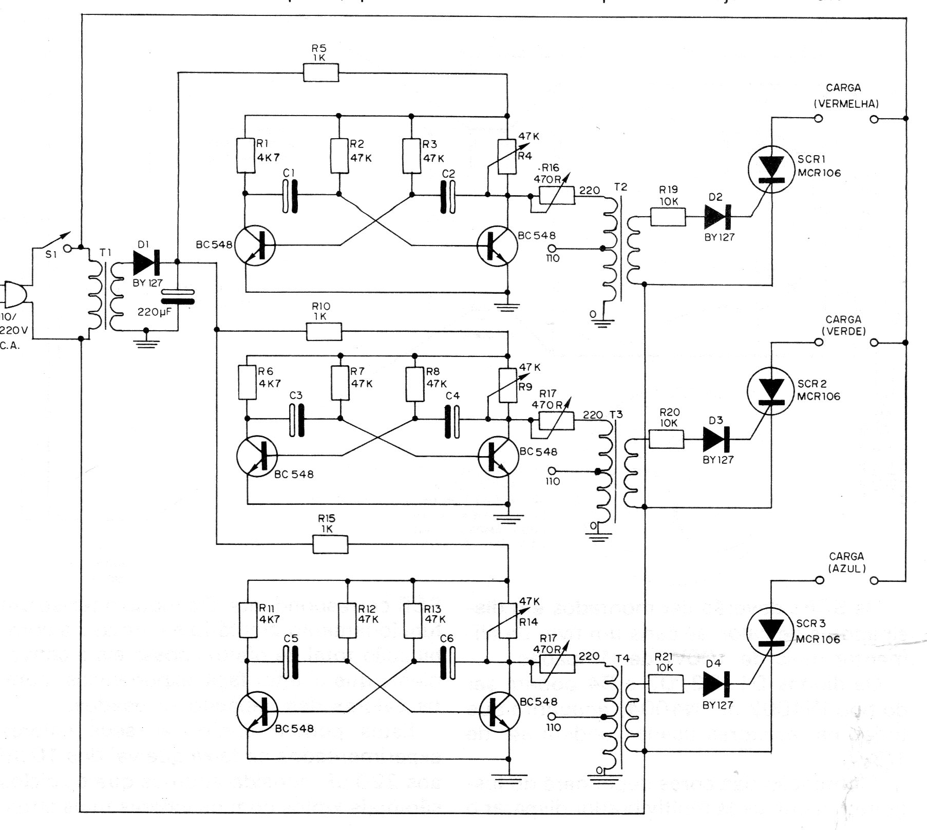
La idea de este efecto obtenido en una documentación de 1982 es hacer que las luces de color parpadeen al azar en una caja con un panel de acrílico u otro arreglo. La combinación de las lámparas produce diversos colores. Los transformadores, que pueden ser del tipo de alimentación común con 6 V de secundario, sirven para aislar el circuito de baja tensión del circuito de alta tensión. El circuito sólo funciona con lámparas incandescentes.




