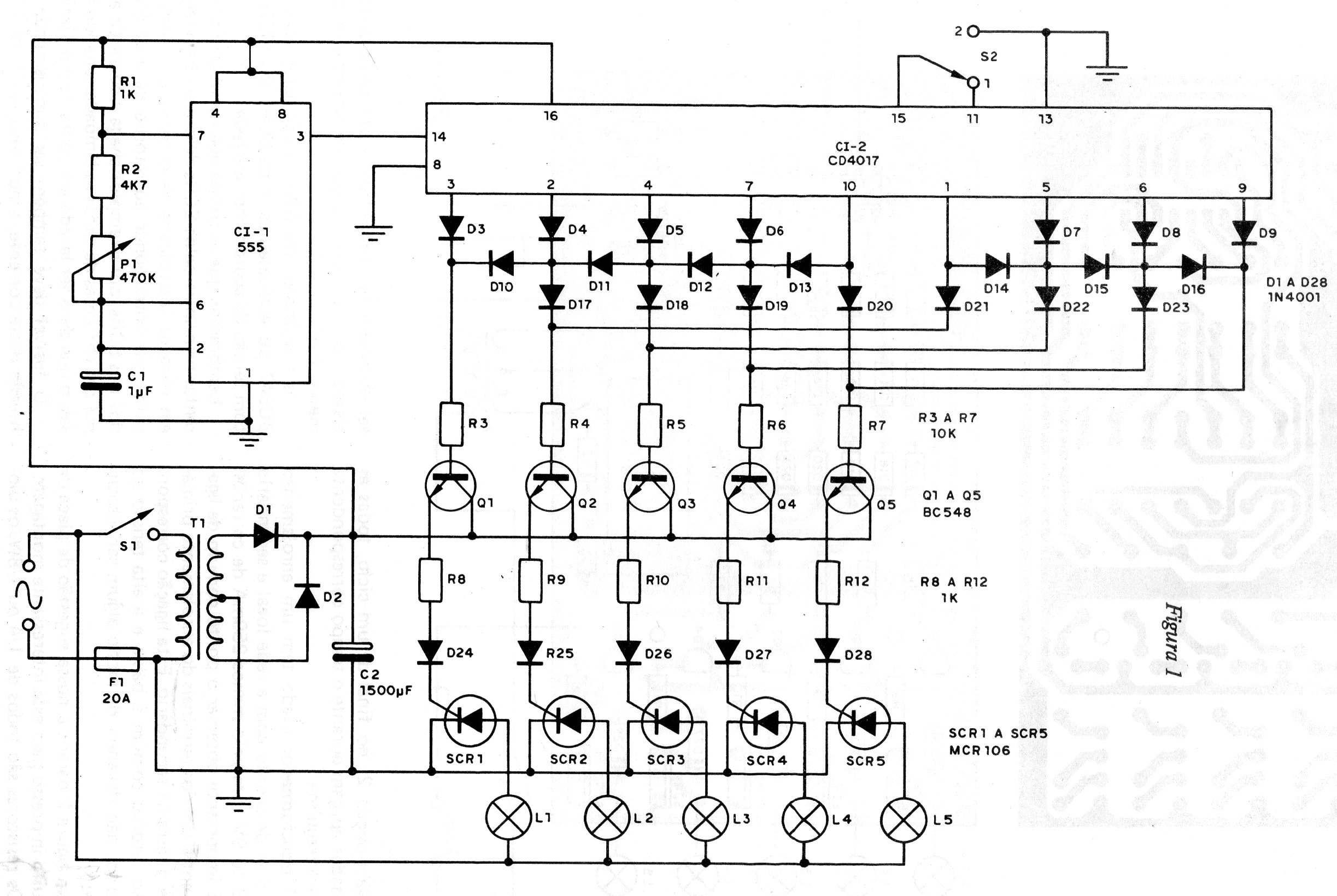
El nombre de este efecto obtenido en una documentación de 1985 se debe al modo en que las lámparas se encienden en secuencia. El movimiento es oscilante dado por los diodos de programación del 4017. El circuito sólo funciona con lámparas incandescentes y los SCR deben montarse en disipadores de calor.




