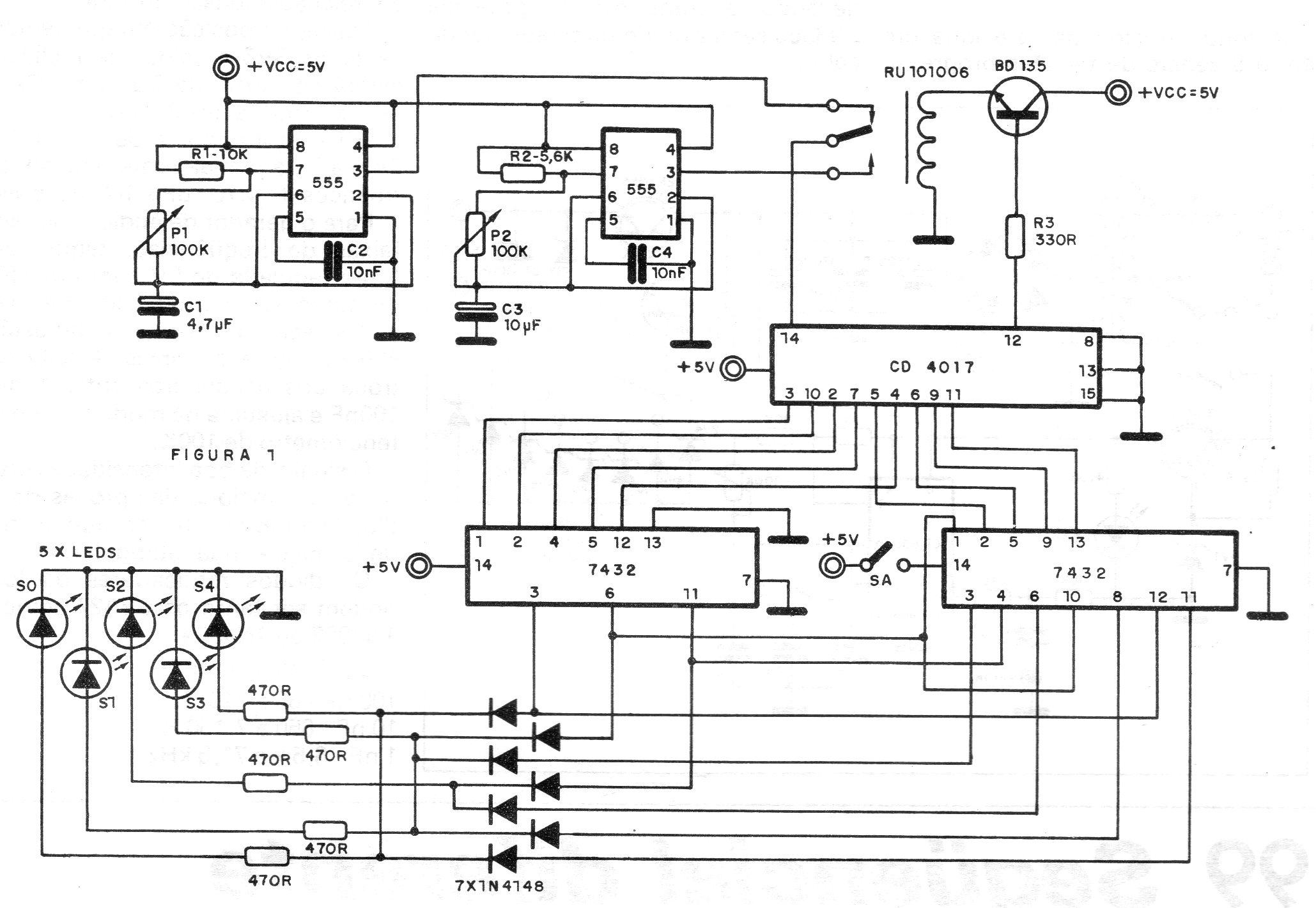
Encontramos este efecto de luz diferente en una revista de 1987. El circuito puede ser modificado para accionar etapas de potencia con SCR o Triacs para un efecto de alta potencia. La velocidad del efecto se ajusta en los potenciómetros junto a los integrados 555. El circuito tiene por diferencia producir los pulsos de conmutación para el contador TTL a través de un relé. La alimentación debe realizarse con una tensión de 5 V y el relé debe ser para esta tensión.




