Encontramos este circuito en una publicación de 1987. El circuito se conecta a la salida de un amplificador y su aplicación original está en el coche. La alimentación se toma de la propia batería del coche y el potenciómetro P1 sirve para ajustar el punto de funcionamiento.
Secuencial Rítmico (CIR4638S )
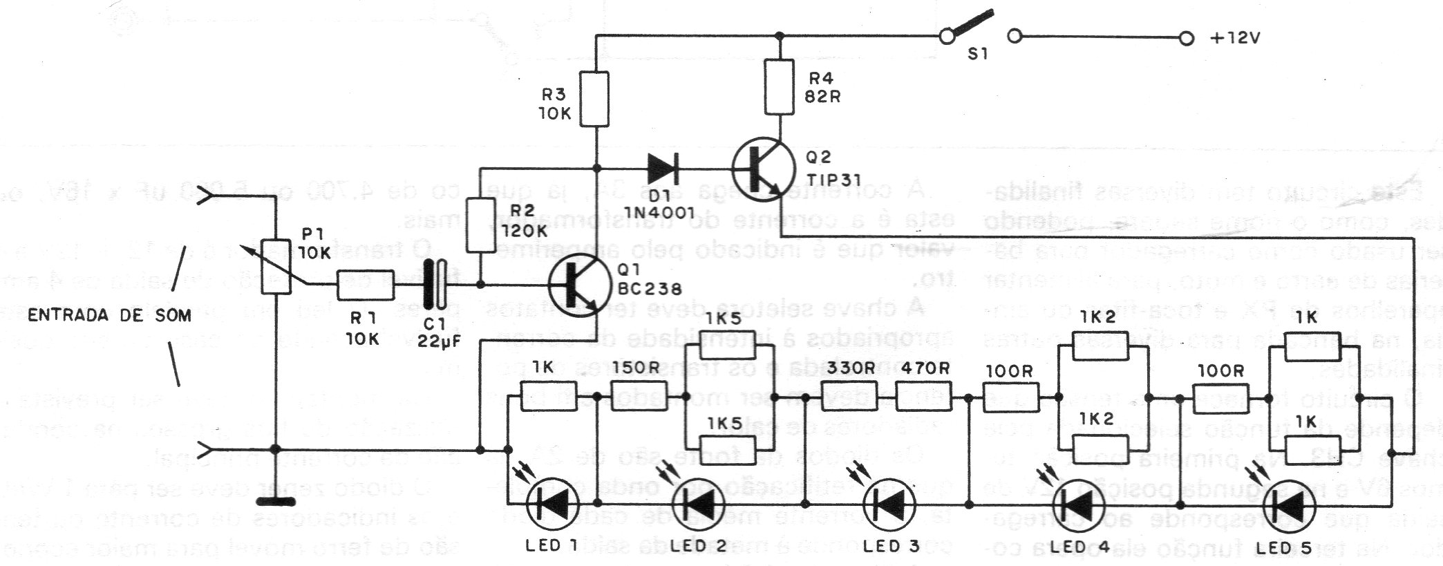
Encontramos este circuito en una publicación de 1987. El circuito se conecta a la salida de un amplificador y su aplicación original está en el coche. La alimentación se toma de la propia batería del coche y el potenciómetro P1 sirve para ajustar el punto de funcionamiento.




