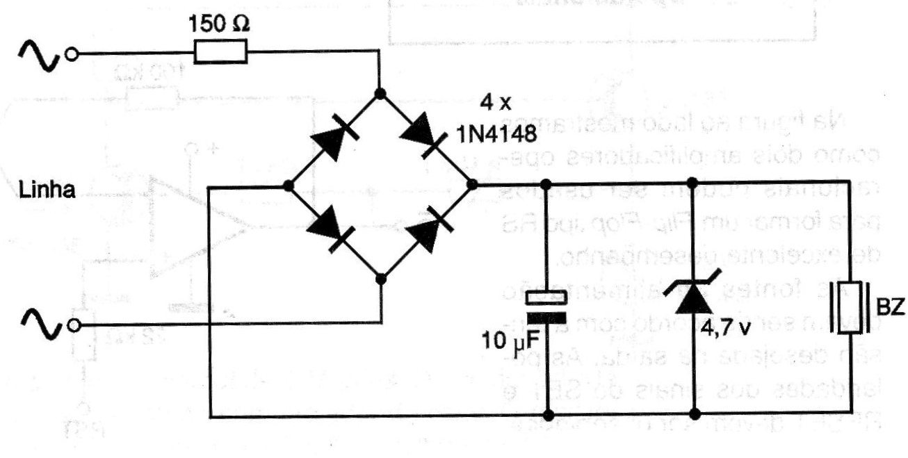
Con este circuito es posible utilizar un buzzer DC (no transductor) como extensión de timbre telefónica. Los diodos pueden ser sustituidos por equivalentes y el zener es de 4,7V. El capacitor de 10 uF debe tener una tensión de trabajo de al menos 12 V.




