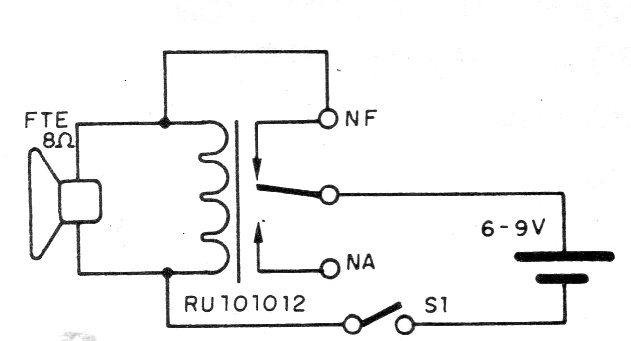
Este circuito experimental utiliza un relé común para que las vibraciones de los contactos generen una señal reproducida en el altavoz. La alimentación depende del relé y la frecuencia se puede cambiar con la conexión de un alto capacitor en paralelo con el relé. En algunos casos puede ser necesario conectar un condensador de 10 uF en serie con el altavoz.




