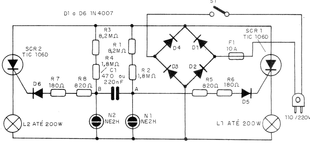
Este circuito de 1993 utiliza componentes actuales y sólo puede funcionar con lámparas incandescentes. La carga máxima en 110 V es del orden de 200 W y el SCR debe estar dotado de un disipador de calor. El circuito produce flashes alternados en dos conjuntos de lámparas y también puede ser alimentado por 220 V. El condensador determina la velocidad de los intermitentes pudiendo ser cambiado.




