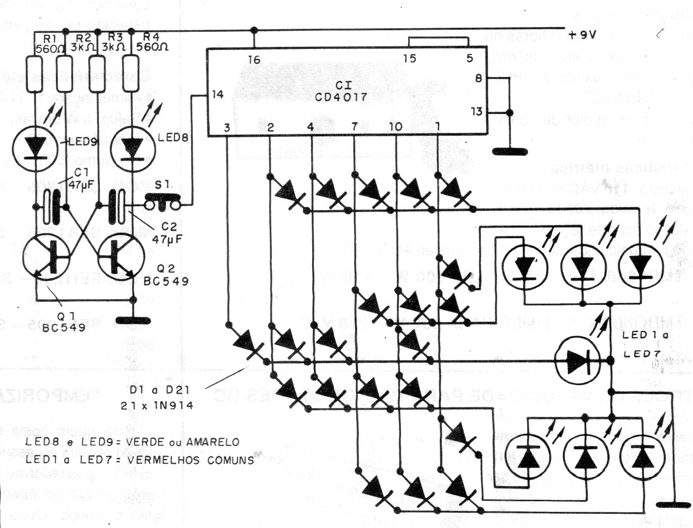
Encontramos este circuito en una documentación de 1992. Todavía puede montarse con facilidad en nuestros días, ya que los componentes usados son comunes. En él tenemos una configuración de LEDs que imita las caras de un dado, lo que le confiere mayor realismo la alimentación es hecha por batería de 9 V o fuente.




