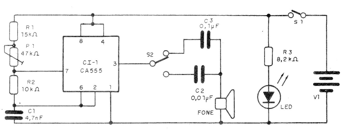
Este simple oscilador es una de las muchas versiones de repelente sónico de insectos que encontramos en este sitio. El circuito es alimentado por tensiones de 6 a 12 V de pilas o baterías y el transductor es un auricular de baja impedancia, aunque también se pueden utilizar cápsulas piezoeléctricas o incluso un pequeño altavoz.




