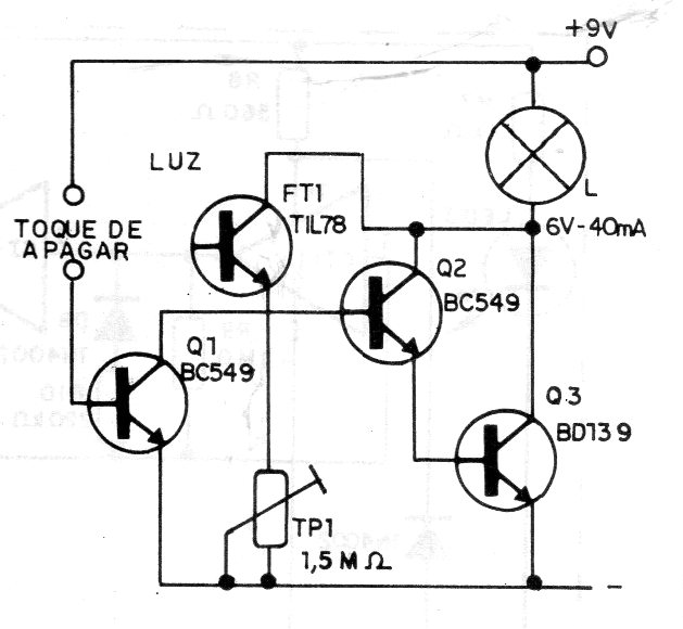
Ver magia o lámpara mágica, como también aparece en diversos artículos de este sitio, es un circuito que permite encender una lámpara con un fósforo y borrar con toque. El circuito puede utilizar LED en lugar de las lámparas, con resistencias apropiadas en serie. El sensor de tacto está formado por dos planchas que se deben tocar simultáneamente.




