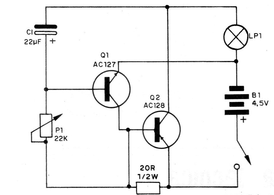
Este proyecto fue encontrado en una documentación de 1981 consistente en un simple parpadeante de 2 transistores. El circuito completo del parpadeante se muestra en la figura. Se utilizan dos transistores complementarios y como carga una lámpara de hasta 100 mA con tensión de operación entre 2,5 y 4,5 V. Para controlar cargas mayores el lector sugiere la conexión de un relé como carga. La frecuencia del circuito es determinada básicamente por el capacitor C1e por el potenciómetro P1. Con los valores indicados en el diagrama se pueden tener frecuencias alrededor de 1Hz, pero si el lector quiere, puede cambiar los tiempos conseguidos con el cambio del capacitor por otro de valor diferente. Mayor valor le dará mayor tiempo entre los intermitentes, es decir, menor frecuencia. En el proyecto original el autor utilizó transistores del tipo AC127 y AC128 o sus equivalentes. Los lectores que tienen dificultades para encontrar estos transistores pueden utilizar equivalentes más modernos de silicio como la BD135 y BD136, observando naturalmente su modo de conexión. La alimentación de circuito se realiza por 3 pilas medias o grandes en serie según el consumo de la carga o por fuente de alimentación.




