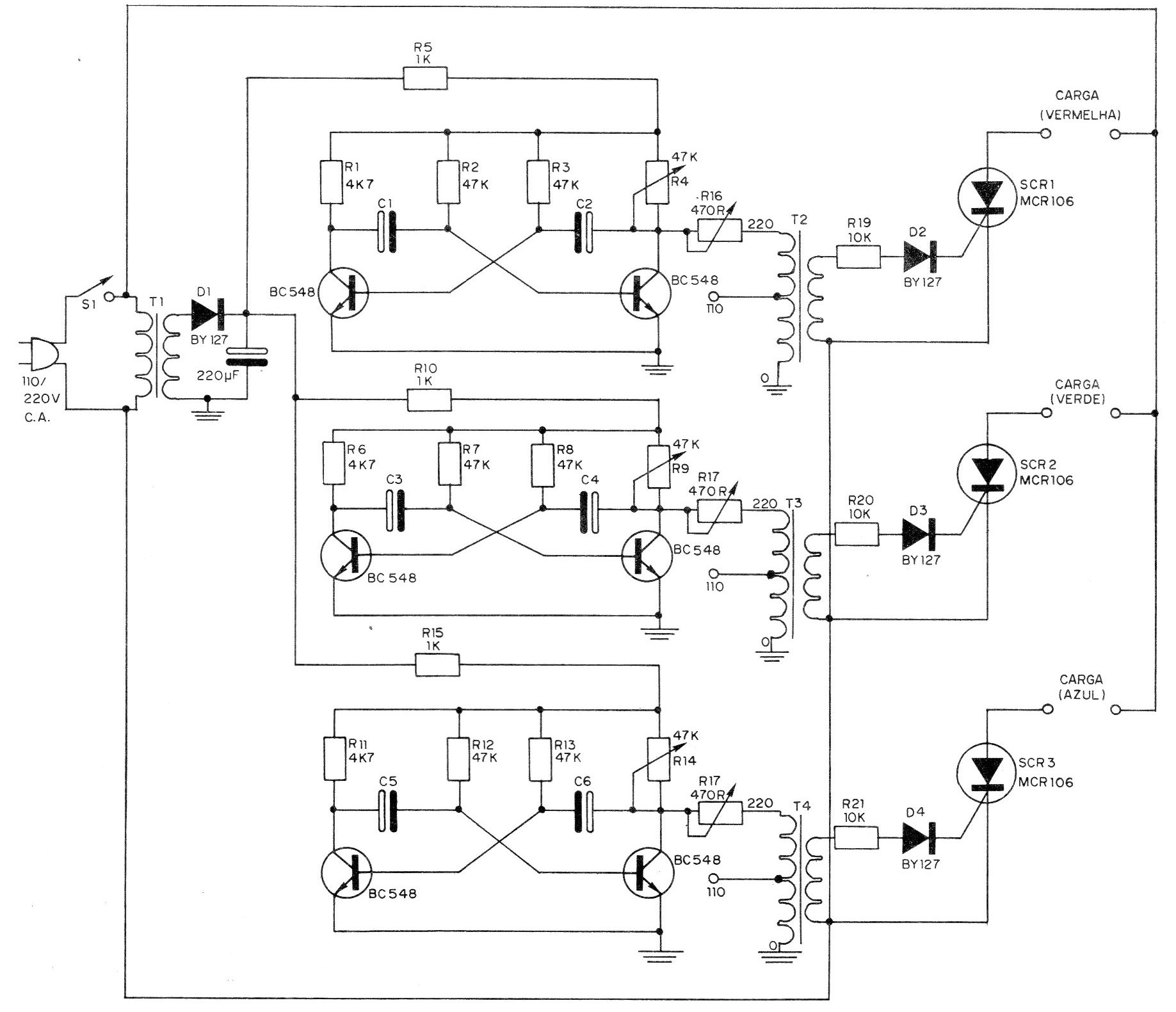
Este es el nombre de un interesante aparato de efectos luminosos para discotecas, salones de fiestas o incluso vitrinas. Este aparato con sólo 3 circuitos de control y lámparas de sólo tres colores básicos, operando por el mismo principio de TV en color, permite obtener 7 colores diferentes en un panel. Se trata de un cañón óptico, que directamente proyecta la luz en una pantalla y cuyo color depende de las lámparas que en determinado instante estén encendidas. Con la utilización del SCR MCR106 de corriente de carga del orden de 4 A, se pueden controlar diversos proyectores diferentes, construidos del mismo modo y conectados en paralelo, para ser instalados por toda la sala que se desea iluminar. En cada proyector usando lámparas de 100 W, se puede tener el control de 4 unidades en la red de 110 V y 8 unidades en la red de 220 V. Los colores se obtienen por las posiciones de los potenciómetros de excitación R16, R17 y R18, mientras que los ciclos de ajuste se alcanzan en los potenciómetros R4, R9 y R14. Estos ciclos son también determinados por los multivibradores astables, formados por los 6 transistores. La frecuencia de éstos puede ser alterada por el cambio de valor de los capacitores de C1 a C6.




