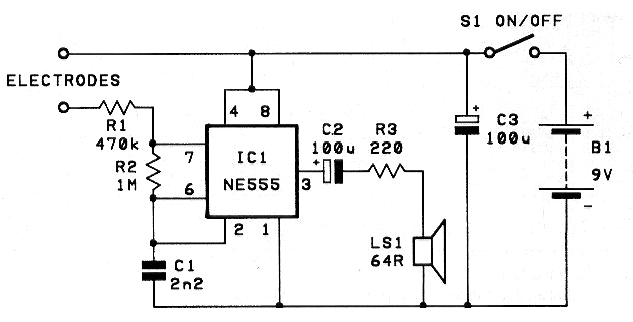
Encontramos este simple circuito de biofeedback en una revista inglesa en una edición de mayo de 1987. El circuito genera tonos en un altavoz cuya frecuencia depende de la resistencia entre los electrodos. Para generar pulsos, aumente C1 a 100 nF o más. Estos electrodos pueden ser chapas de metal para apoyar los dedos o los tubos de metal para sujetar. En el diseño original se utiliza un altavoz de 64 ohmios, pero se puede reducir R3 a 100 ohmios y utilizar un altavoz de 8 ohmios, o conectar directamente el pin 3 del 555 a una resistencia de 1k en la base de Un BD135 donde tenemos un altavoz como carga de colector. El circuito funciona con tensiones de 5 a 9 V.




