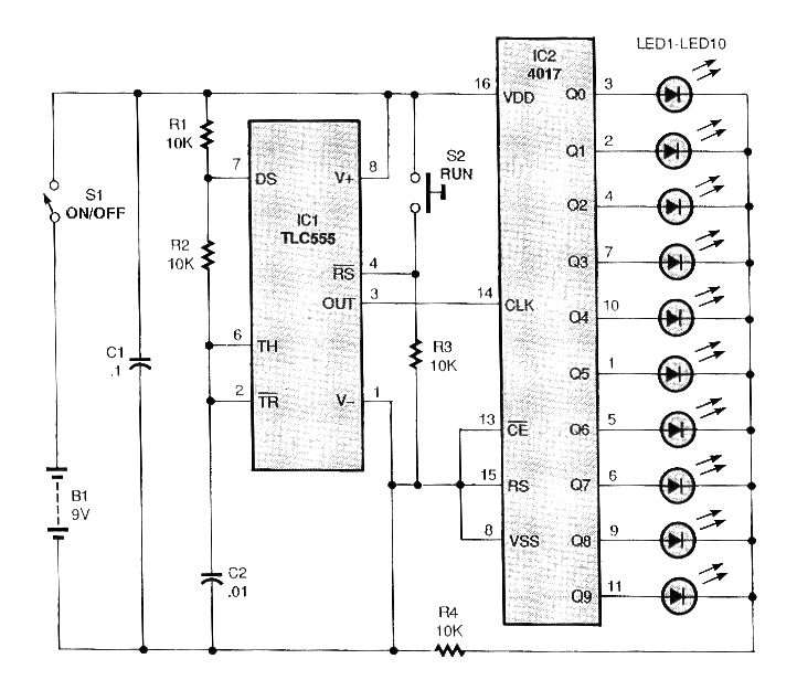
Este circuito salió en una Poptronics de 1996. La revista ya no existe, pero podemos encontrar muchos circuitos interesantes en las ediciones antiguas, los cuales estaremos comentando en nuestro sitio. Este sorteador utiliza los conocidos 555 y 4017. Cuando presionamos S2 los LEDs corren tan rápido que no podemos ver, pero al soltar sólo uno se enciende y es completamente impredecible cuál. El circuito puede ser alimentado por 9 V y la resistencia R4 nos parece muy alto para la aplicación, pues normalmente usamos resistores de 1k a 2k2 en esta función.




