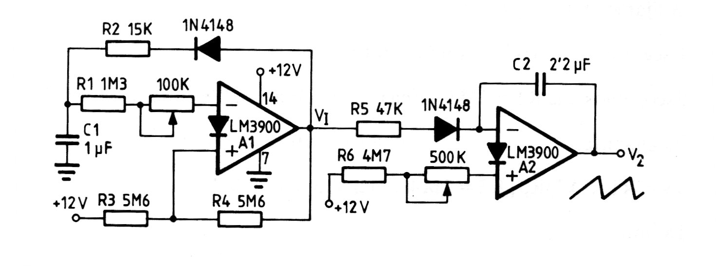
Encontramos este circuito en una publicación sobre operativos de los años 90. El circuito se basa en el amplificador operacional de transconductancia LM3900 generando una rampa de 1,1 V lineal. La fuente de alimentación no necesita ser simétrica y debe suministrar 12 V.




