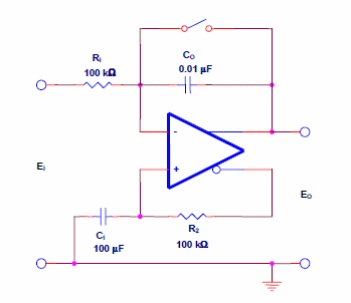
En la figura tenemos el circuito de un integrador para señales alternas. Las características obtenidas dependen del amplificador operacional utilizado. El circuito es de una documentación de Texas Instruments de 2016.

En la figura tenemos el circuito de un integrador para señales alternas. Las características obtenidas dependen del amplificador operacional utilizado. El circuito es de una documentación de Texas Instruments de 2016.
