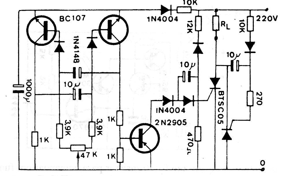
Los BC547 se pueden utilizar en lugar de los BC107 en este circuito de una documentación de los años 90. En lugar del 2N3906 podemos utilizar un BD136 y los SCRs pueden tipos de la serie TIC de acuerdo con la tensión de la red. Los SCR deben dotarse de disipadores de calor, según la potencia de la carga controlada.




