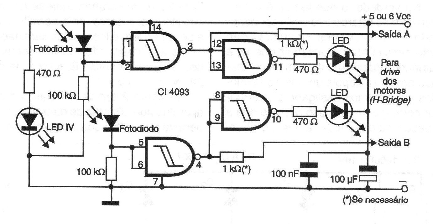
Este circuito puede servir de base para un robot que sigue una línea en el suelo. El circuito tiene tres foto-diodos (o foto-transistores) como sensores y una configuración lógica que puede alimentar directamente un puente H. El line-tracer puede ser alimentado con 6 o 12 V conforme la tensión de los motores alimentados.




