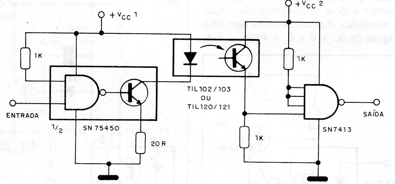
El circuito mostrado en la figura es sugerido por Texas Instruments y permite la transmisión de datos en dispositivos TTL (Shield). El LED necesita al menos 20 mA para el accionamiento, que está muy por debajo de los límites del transistor existente en el 75450.




