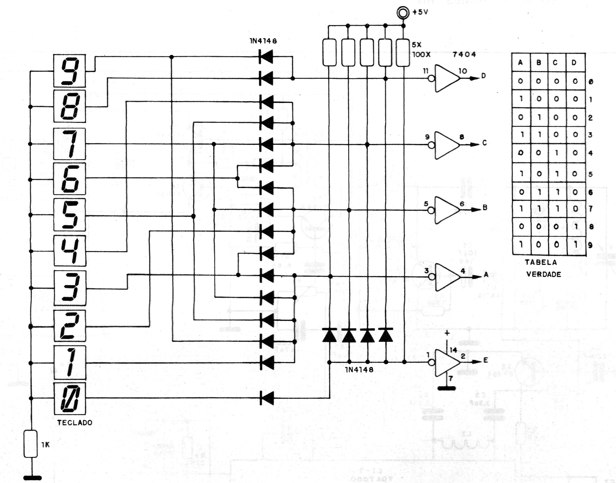
Este circuito es de una documentación técnica de 1987 pudiendo ser usado con microcontroladores y otras aplicaciones digitales. El circuito convierte la señal de un teclado o de sensores en una salida BCD según la tabla junto al diagrama. Para esta versión se utilizaron inversores TTL, pero el circuito se puede cambiar para utilizar los inversores CMOS.




