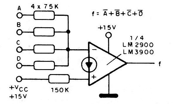
En la figura tenemos la aplicación del amplificador en una puerta NOR, con tensión de referencia igual a la tensión de alimentación. La fuente de alimentación es simple y los resistores de entrada determinan la capacidad de carga (ventilador) del circuito.




