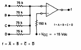
El circuito presentado es del Linear Databook de Motorola de 1990. Con él emulamos una puerta NOR con gran número de entradas.

El circuito presentado es del Linear Databook de Motorola de 1990. Con él emulamos una puerta NOR con gran número de entradas.
