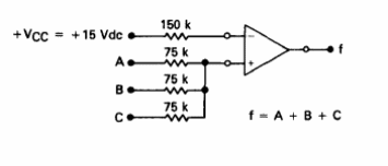
El circuito presentado emula un puerto OR con el LM3900, amplificador operacional de transconductancia. El circuito es del Linear Databook de Motorola de 1990.

El circuito presentado emula un puerto OR con el LM3900, amplificador operacional de transconductancia. El circuito es del Linear Databook de Motorola de 1990.
