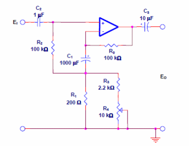
Este circuito de preamplificador con ganancia 500 fue encontrado en una documentación de Texas Instruments de 2016. R4 tiene por finalidad proporcionar el ajuste fino de ganancia. El circuito puede ser implementado con prácticamente cualquier operacional.




