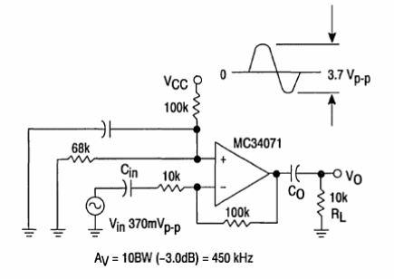
Los demás operativos de la serie, como los MC34072, MC34074, MC35071, MC35072, MC35074 d MC33071, se pueden utilizar en esta configuración que se encuentra en la interfaz de interfaz IC de Motorola de 1993. La fuente de alimentación debe ser simétrica.

Amplificador AC Inversor MC34071 (CIR4839S)
Los demás operativos de la serie, como los MC34072, MC34074, MC35071, MC35072, MC35074 d MC33071, se pueden utilizar en esta configuración que se encuentra en la interfaz de interfaz IC de Motorola de 1993. La fuente de alimentación debe ser simétrica.




