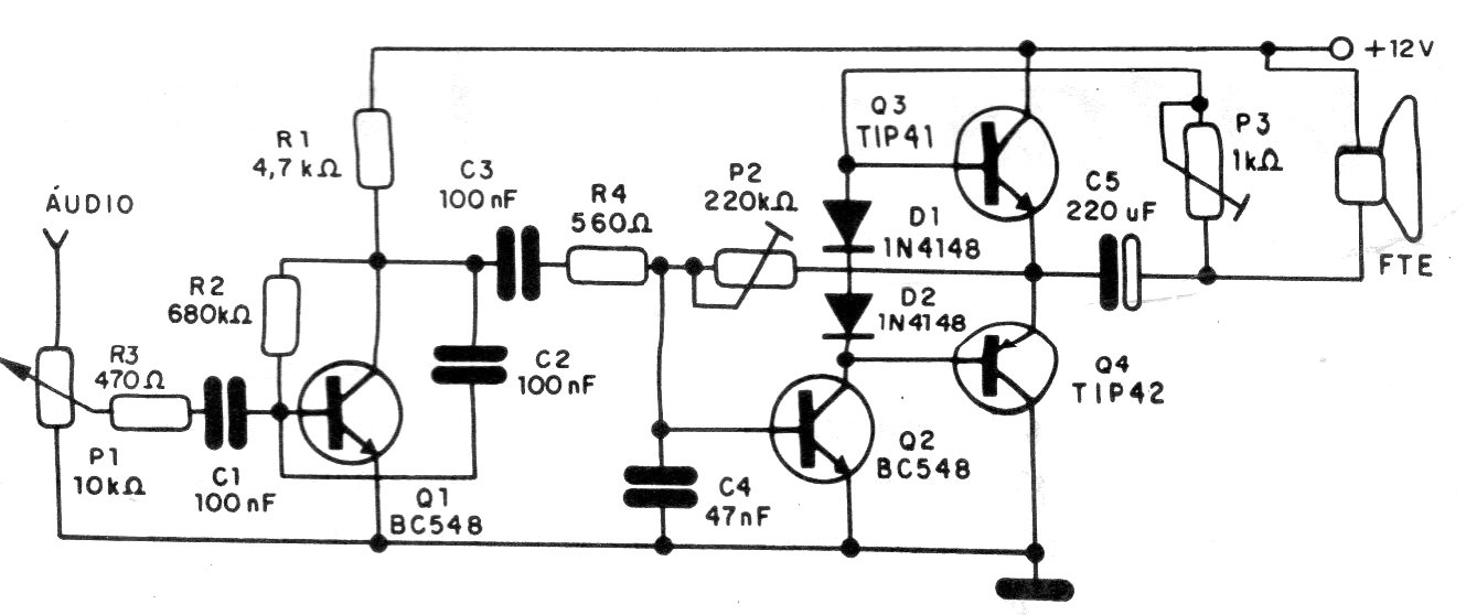
Este circuito proporciona algunos vatios de salida, pudiendo ser usado en el coche como amplificador auxiliar. Los transistores deben montarse en disipadores de calor y el altavoz puede ser de 4 ohms o 8 ohms. El circuito es de una documentación de 1994.




