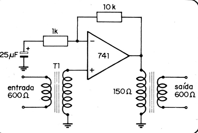
Este circuito es una variación del siguiente (CIR4812) teniendo una salida de 600 ohmios. El transformador T1 es igual al del proyecto anterior pero el de salida tiene primario de 150 ohms y secundario de 600 ohms. La fuente debe ser simétrica de 6 a 12 V y los resistores determinan la ganancia.




