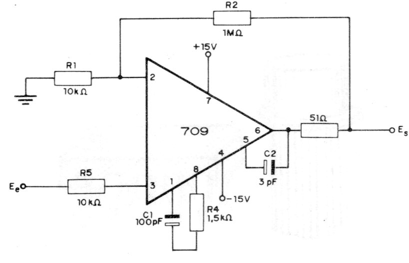
Este circuito de una documentación antigua utiliza un amplificador operacional que ya no se utiliza. La configuración requiere una fuente simétrica, pero se pueden utilizar amplificadores operacionales equivalentes. La ganancia es dada por la relación entre R2 y R1 y se puede cambiar con el cambio de R2;




