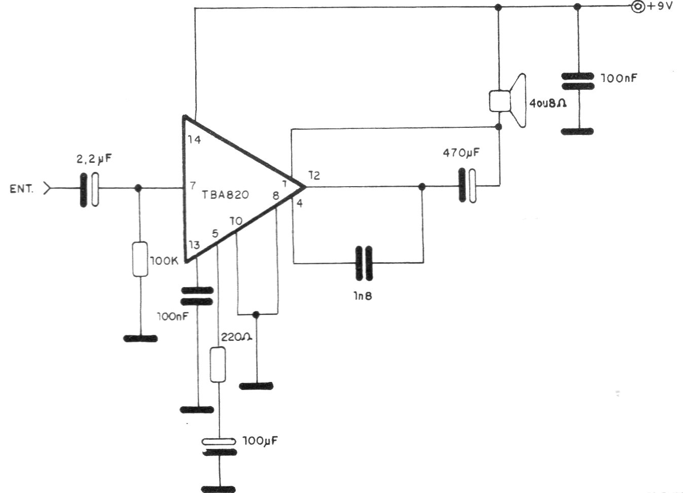
Este circuito tradicional de amplificador integrado utiliza el TBA820, no más común en los tiempos actuales. Pero si el lector consigue este componente, puede montar un excelente amplificador alimentándolo con tensiones de 3 a 12 V. Con 12 V tenemos la potencia máxima.




