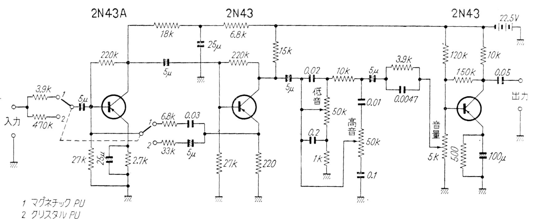
Este circuito es de una antigua documentación japonesa de los años 60. El circuito utiliza transistores de la época y tiene ecualización RIAA con dos impedancias de entrada, según el fonocaptor utilizado. La alimentación se realiza por una batería con una tensión relativamente alta, según las características de los transistores utilizados.




