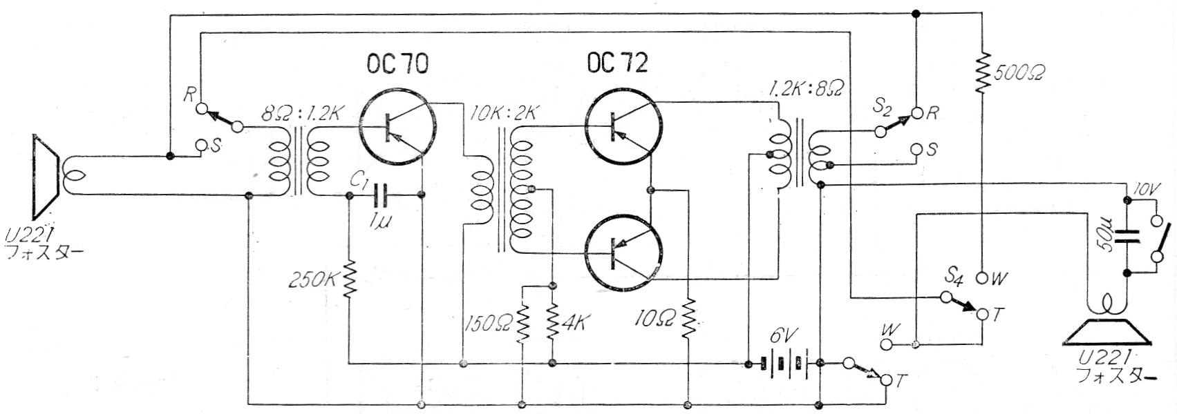
Este intercomunicador utiliza transistores de la década de los 60. Fue encontrado en una publicación japonesa de la época. Los transformadores son del tipo encontrado en muchos grabadores y radios de la época pudiendo ser aprovechados en un montaje práctico. La alimentación se realiza por pilas.




