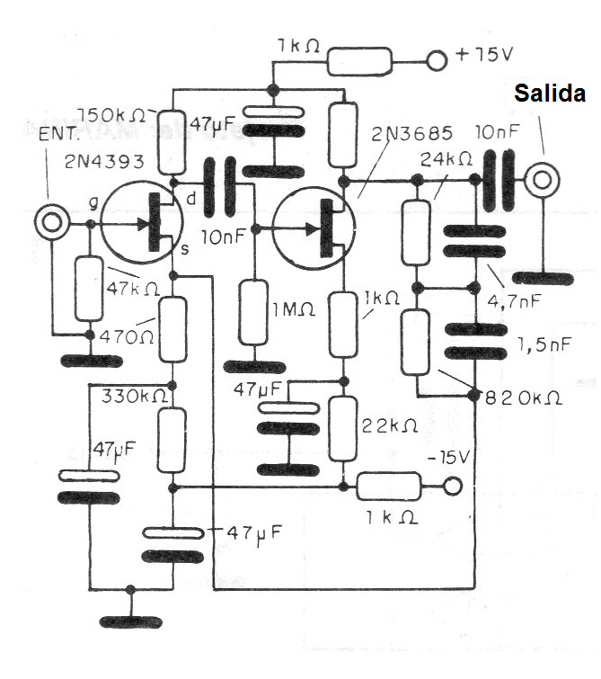
Diversas versiones de este circuito se pueden encontrar en este sitio. Esto hace uso de FET que aún se pueden encontrar con facilidad en el mercado. Las características de este circuito son excelentes para la aplicación a la que se destina. El consumo es muy bajo.




