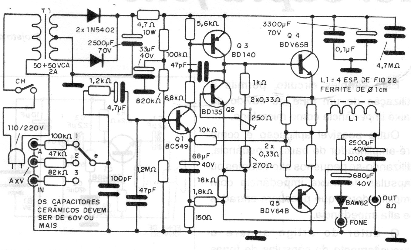
Este circuito proporciona 70 W la carga de 8 ohms y 100 W la carga de 4 ohms. Encontramos este amplificador en una documentación de 1992. El máximo cuidado debe ser tomado con el diseño de la placa que debe tener sendas anchas para las líneas de alta corriente. Los transistores de salida deben estar dotados de excelentes disipadores de calor.




