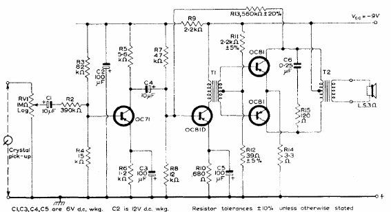
El circuito presentado es del manual de referencia de transistores de la Mullard de 1960. El circuito tiene configuración común en la época, siendo encontrado en muchos radios y amplificadores comerciales de pequeña potencia y hasta grabadores.

El circuito presentado es del manual de referencia de transistores de la Mullard de 1960. El circuito tiene configuración común en la época, siendo encontrado en muchos radios y amplificadores comerciales de pequeña potencia y hasta grabadores.
