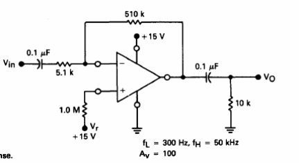
El circuito presentado es del Linear Databook de Motorola de 1990. El circuito no necesita una fuente simétrica y tiene una frecuencia máxima de funcionamiento de 50 kHz.

El circuito presentado es del Linear Databook de Motorola de 1990. El circuito no necesita una fuente simétrica y tiene una frecuencia máxima de funcionamiento de 50 kHz.
