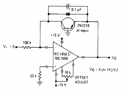
Encontramos este circuito en el Linear Databook de Motorola publicado en 1990. El circuito puede ser implementado con otros operacionales y el diodo es de uso general. El transistor admite el equivalente.

Amplificador Logarítmico MC1456 (CIR2130S)
Encontramos este circuito en el Linear Databook de Motorola publicado en 1990. El circuito puede ser implementado con otros operacionales y el diodo es de uso general. El transistor admite el equivalente.




