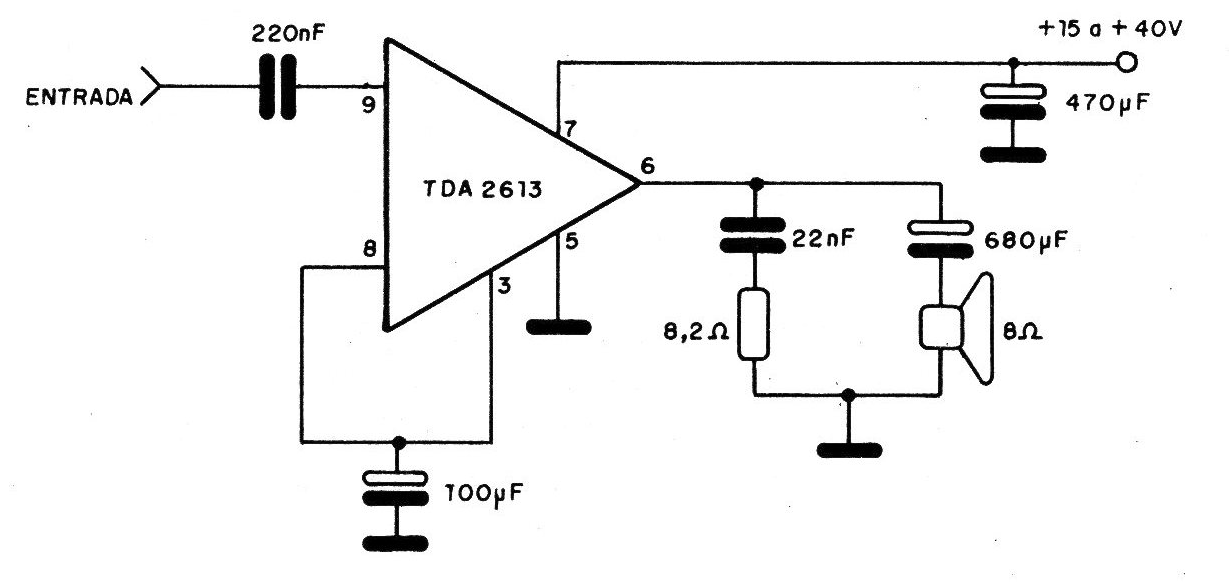
El amplificador presentado es ideal para ser utilizado en pequeños sistemas de sonido monofónicos, radios o televisores alimentados por la red de energía, intercomunicadores, etc. El circuito integrado TDA2613 es fabricado por Philips Componentes y debe estar dotado de un buen radiador de calor. Este circuito no necesita una fuente de alimentación simétrica y la ganancia de tensión es elevada, lo que requiere cuidado con el blindaje de los cables de entrada de señales.




