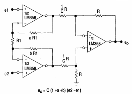
Tres amplificadores operativos del LM158, LM258, LM358 o LM2904 se utilizan en este amplificador para instrumentación. El circuito es del handbook Linear Interfaz IC de Motorola de 1993. El circuito debe ser alimentado por una fuente simétrica.

Tres amplificadores operativos del LM158, LM258, LM358 o LM2904 se utilizan en este amplificador para instrumentación. El circuito es del handbook Linear Interfaz IC de Motorola de 1993. El circuito debe ser alimentado por una fuente simétrica.
