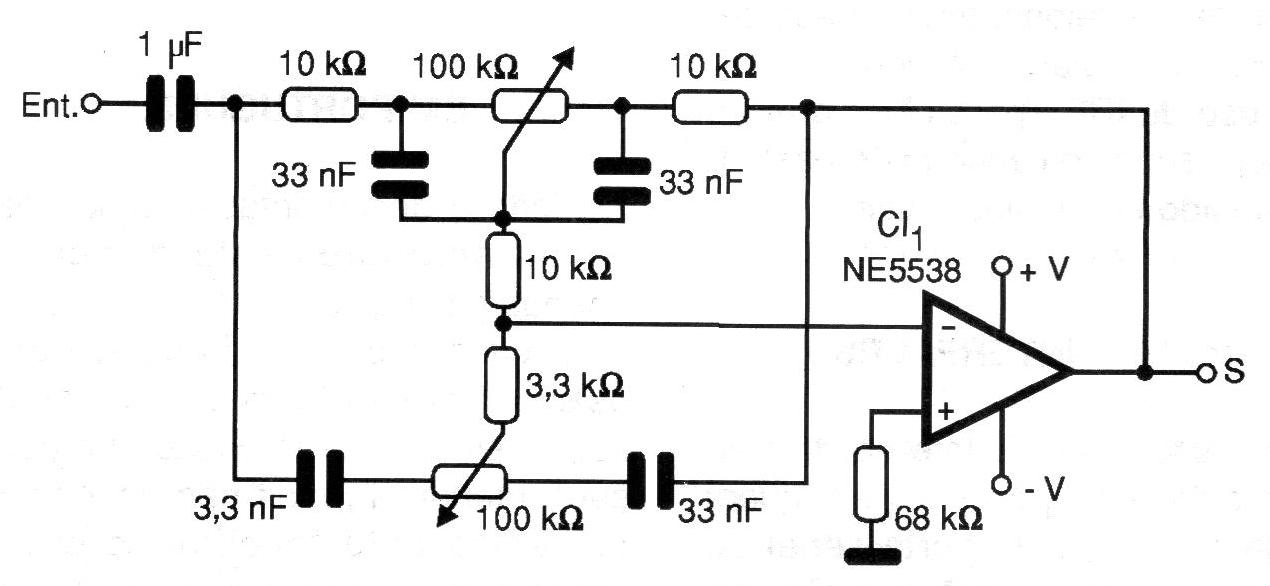
Este circuito básico de control de tono emplea un amplificador operacional NE5538 de Philips, pero puede ser adaptado para funcionar con otros amplificadores operacionales. La fuente de alimentación debe ser simétrica, y la ganancia de graves y agudos puede llegar a los 10 dB. La impedancia de entrada es elevada.




