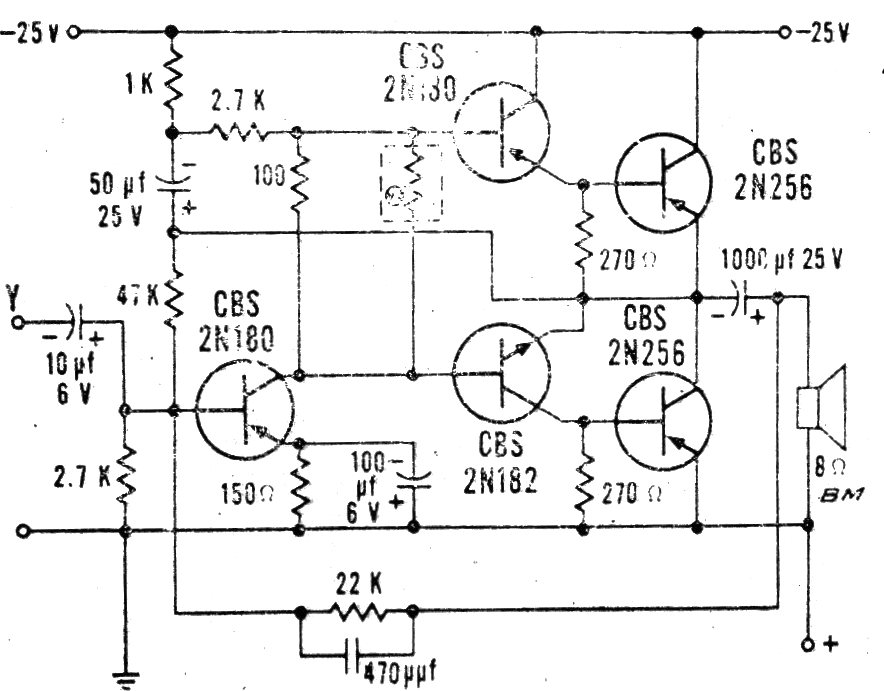
Este amplificador, obtenido en una publicación argentina de los años 1970, proporciona una salida de 6 W. Los transistores de salida pueden ser los TIP32 y los controladores BD136. El preamplificador puede ser el BC557. La fuente debe suministrar al menos 1 A de corriente. Los transistores de salida deben montarse en radiadores de calor. El termistor se monta en el radiador de calor de uno de los transistores de salida.
Amplificador de 6 W (CIR1284S)
Este amplificador, obtenido en una publicación argentina de los años 1970, proporciona una salida de 6 W. Los transistores de salida pueden ser los TIP32 y los controladores BD136. El preamplificador puede ser el BC557. La fuente debe suministrar al menos 1 A de corriente. Los transistores de salida deben montarse en radiadores de calor. El termistor se monta en el radiador de calor de uno de los transistores de salida.




