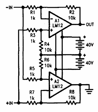
Amplificador de Potencia con LM12 en Puente (CIR5337S )
Esta configuración muestra cómo utilizar dos amplificadores de 4 A de National Semiconductor en puente. El circuito es del Linear Applications Handbook de 1994.

Amplificador de Potencia con LM12 en Puente (CIR5337S )
Esta configuración muestra cómo utilizar dos amplificadores de 4 A de National Semiconductor en puente. El circuito es del Linear Applications Handbook de 1994.
