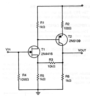
Encontramos este amplificador de alta impedancia de entrada y baja capacitancia, usando FET, en una documentación de los años 70. El FET puede ser el BF245 y el transistor PNP el BC558. La alimentación se puede hacer con tensiones de 5 a 12 V. La ganancia es dada por la relación entre R3 y R5. El consumo es muy bajo posibilitando el uso de la batería en la alimentación.




