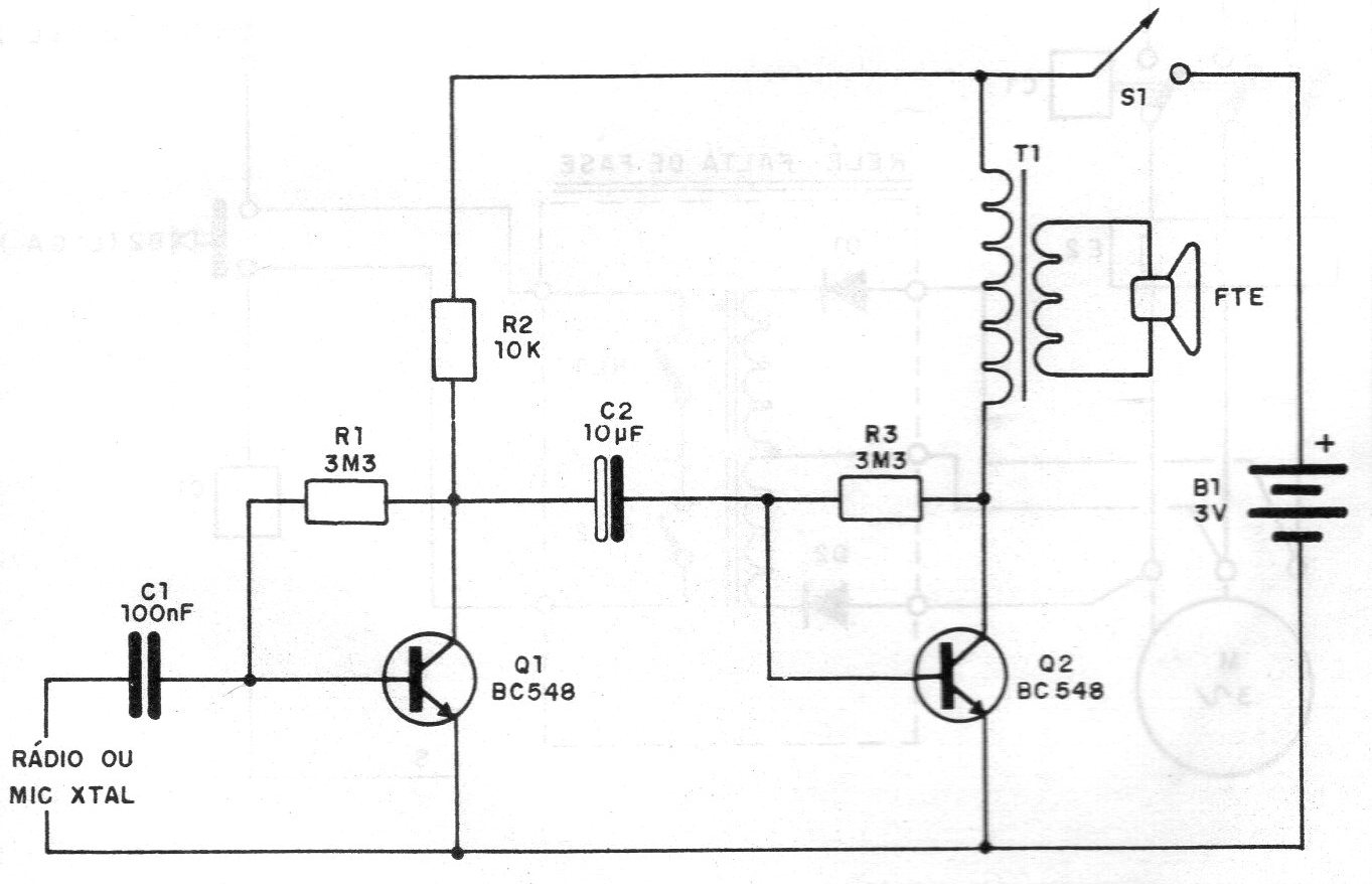
Este amplificador, encontrado en una documentación de 1987, utiliza un transformador de salida obtenido de una radio transistorizada fuera de uso. Una aplicación es como etapa de audio para radios experimentales o intercomunicadores. El circuito es alimentado por tensiones de 6 a 9 V.




