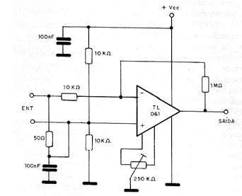
Este circuito es una aplicación para un amplificador operacional con transistores de efecto de campo de Texas Instruments y está destinada a la amplificación de señales de bajas frecuencias (audio) con excelente rendimiento. El resistor de 1M junto con los resistores de 10k de entrada determina la ganancia mientras que la impedancia es 50 ohmios. El trimpot hace el ajuste de la simetría de la señal, actuando sobre la tensión de offset de salida. La alimentación se puede realizar con tensiones de 1,5 a 12 V.




