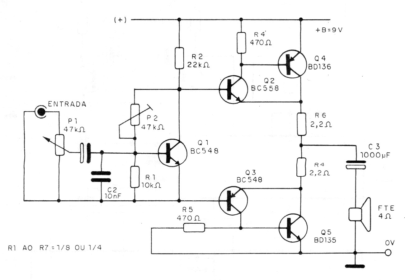
Cuando está alimentado por una tensión de 9 V este pequeño amplificador proporciona una potencia de algunos vatios a un altavoz. El circuito fue encontrado en una documentación de 1993 pudiendo ser utilizado como amplificador de prueba para la bancada. Los transistores de salida deben estar dotados de pequeños disipadores de calor.




