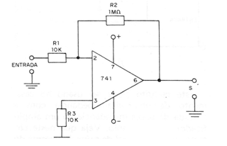
El circuito de la figura puede ser usado en instrumentos, u otras aplicaciones en las que se desee amplificar una señal de baja frecuencia o corriente continua. La ganancia del amplificador es determinada por la relación R2 / R1, que en el caso es 100. Ya la impedancia de entrada es determinada por el valor de R1. Si el lector desea, puede hacer que este circuito de ganancia variable, sustituyendo el resistor R2 por un potenciómetro del mismo valor. Con la variación de realimentación entre el máximo y correspondiente a la resistencia de 1 M tendremos variaciones de ganancia entre 1 y 100. La fuente es simétrica de 9 V para este circuito. En este caso la impedancia de salida es del orden de 150 ohms, lo que significa la imposibilidad de conectar cargas de impedancia más baja sin el peligro de afectar el funcionamiento del amplificador (el 741 posee una protección interna contra cortocircuito).




