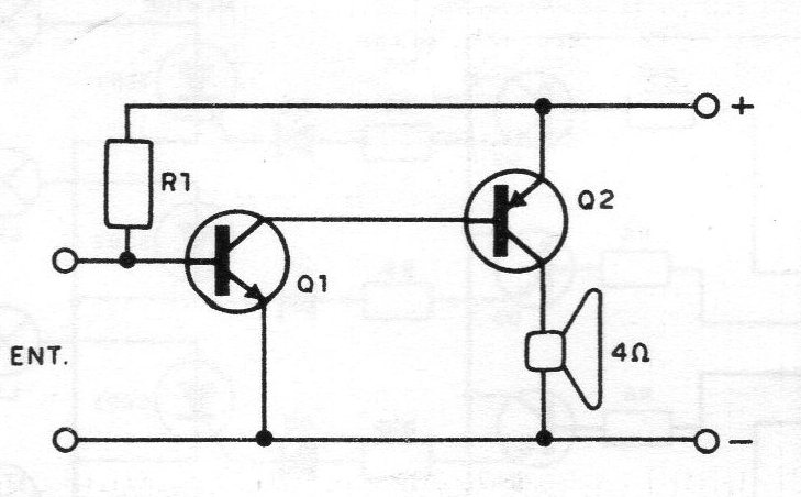
Al sacar el altavoz, este amplificador utiliza sólo 3 componentes: dos transistores y una resistencia. Por supuesto, se trata de un amplificador de prueba, dada su baja potencia, pero puede ser usado como seguidor de señales, previendo para ello un condensador de aislamiento en la entrada, o aún como etapa de salida para raditos de cristal o receptores simples . La resistencia es de ¼ W o 1/8 W y puede tener valores entre 2M2 y 4M7. El valor será elegido según la ganancia deseada, en función del nivel de señal, para que no haya distorsión ni exceso de consumo, lo que será percibido por el calentamiento de Q2. El altavoz puede ser tanto de 4 como de 8 ohmios y la alimentación entre 3 y 6 V. El transistor NPN puede ser el BC549C o cualquier equivalente como el BCS48, BC238 o BC239. El transistor PNP (Q2) puede ser un BD136, BD138 o BD140. Para utilizar como etapa de mayor potencia, en la salida de una radio FM, por ejemplo, con alimentación de 6 V, la resistencia puede reducirse a 1M, pero el consumo será del orden de 500 mA, lo que requiere el uso de disipador para Q2.




