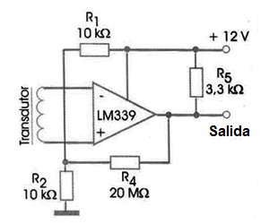
En la figura tenemos un circuito práctico para uso con transductor magnético. El resistor de 20 M ohms determina la ganancia del circuito, debiendo ser cambiado en función de la sensibilidad del transductor. La fuente de alimentación debe ser simétrica, con tensión de acuerdo con la deseada para la amplitud de la señal que debe excitar el paso siguiente.




