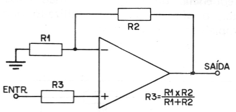
La configuración tradicional de amplificador no inversor con el operacional 741 mostrada en la figura es de 1976, pero aparece varias veces en este sitio. La fuente debe ser simétrica y la ganancia determinada por la relación entre R1 y R2. R3 debe ser igual a R1 y estos componentes determinan la impedancia de entrada.




